leyu乐鱼(中国)体育官方网站-LEYU.COM
YBW系列箱变是一种由高压开关设备、电力变压器、低压开关设备、智能控制设备、连接和辅助设备组成 的成套配电设备。它专用于城市的各种建筑、道路以及建 筑用电等设施。它既可作为环网供电的系统配置,也可作为放射式电网的终端供电设备,亦可配备智能测控装置, 实现远程遥测。


1、设计标准均符合GB/T17467-2010《高低压预装式变电站》、GB/T8754-2007(JB/T 8754-2007《高压开关设备和控制设备型号编制办法》)的要求;
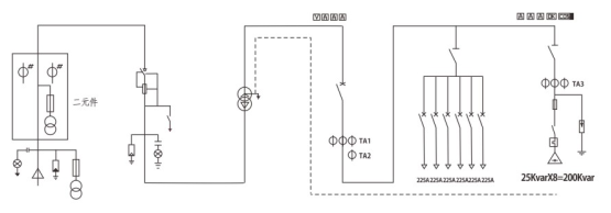
2、高压侧供电系统,可布置成环网供电、终端供电、双电源供电等多种供电方式,也可用户定制,还可装设高压计量元件,满足高压计量的要求。高压柜具有对变压器短路、过负荷等多种保护功能;
3、变压器室可选择油浸式变压器或干式变压器,并可根据需要加装室温监视装置和自启动的通风冷却装置;
4、低压室根据用户要求,可采用面板柜装式结构,组成用户所需供电方案。其中出线回路也可按照用户要求定制。低压室有塑壳断路器,也可根据用户要求使用万能式断路器,全方位保护变压器及用户设备的过载短路等;
5、高、低压成套装置及变压器均采用固定式安装。箱变内部留有人孔及操作空间,以方便安装及维护;
6、高低压室结构合理,并具有全面防误操作联锁功能,功能灵活。高、低压室所选用全部元件性能可靠、 操作方便、其运行状态可通过柜体的面板仪表指示等直接观察和操作,一目了然;
7、外形美观,欧式箱变的外观可以根据用户喜好定制,制作成为景观式。其外壳颜色极易与周围环境协调一致,具有点缀和美化环境的作用;
8、欧式箱变可根据用户需要配备智能综合测控装置(综保或继电保护),以便用户进行远程监控和操作。

